MENU
MENU
Maniac Electric Motors Best Price Alternator Starter PartsMANIACELECTRIC MOTORS
CART
CartVIEW CART
  • Home
  • Find Your Kit/Part
  • CONTACT
  • Privacy
Shop By Model
  • ACURA
  • AUDI
  • BMW
  • BUICK
  • CADILLAC
  • CHEVROLET / GMC
  • CHRYSLER
  • DODGE
  • EAGLE
  • FIAT
  • FORD
  • GEO
  • HONDA
  • HUMMER
  • HYUNDAI
  • INFINITI
  • ISUZU
  • JAGUAR
  • JEEP
  • JOHN DEERE
  • KAWASAKI
  • KIA
  • LANDROVER
  • LEXUS
  • LINCOLN
  • MAZDA
  • MERCEDES
  • MERCURY
  • MINI
  • MITSUBISHI
  • NISSAN
    • NISSAN 200SX
    • NISSAN 240SX
    • NISSAN 300ZX
    • NISSAN 350Z
    • NISSAN 370Z
    • NISSAN ALTIMA
    • NISSAN ARMADA
    • NISSAN CUBE
    • NISSAN D21 PICKUP
    • NISSAN FRONTIER PICKUP
    • NISSAN GT-R
    • NISSAN JUKE
    • NISSAN MAXIMA
    • NISSAN MURANO
    • NISSAN NX
    • NISSAN QUEST
    • NISSAN PATHFINDER
    • NISSAN ROGUE NISSAN ROGUE SPORT
    • NISSAN SENTRA
    • NISSAN STANZA
    • NISSAN TITAN
    • NISSAN VERSA NISSAN VERSA NOTE
    • NISSAN XTERRA
    • NISSAN X-TRAIL
  • OLDSMOBILE
  • PONTIAC
  • PORSCHE
  • RAM
  • SAAB
  • SATURN
  • SCION
  • SUBARU
  • SUZUKI
  • TOYOTA
  • VOLVO
  • VOLKSWAGEN
  • SPST SPDT Micro Relays
  • TECHNICAL
  • Alternator Rebuild Kits
  • AGRICULTURAL & INDUSTRIAL EQUIPMENT
  • Alternator for Volvo with Bosch 0125812009, 0125812012 - 21066
Home > NISSAN > NISSAN MAXIMA > 2011 Nissan Maxima Charge System Diagram Schematic

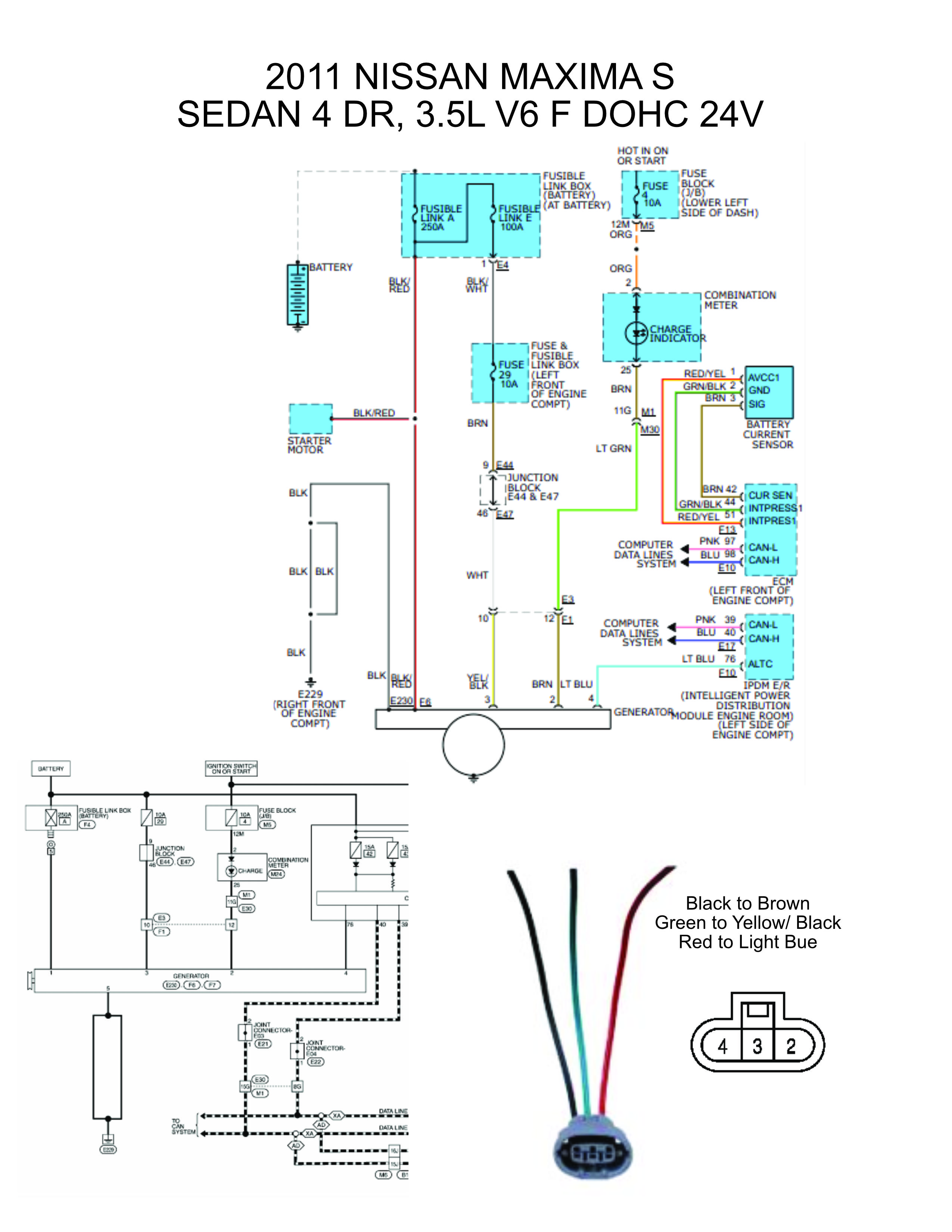
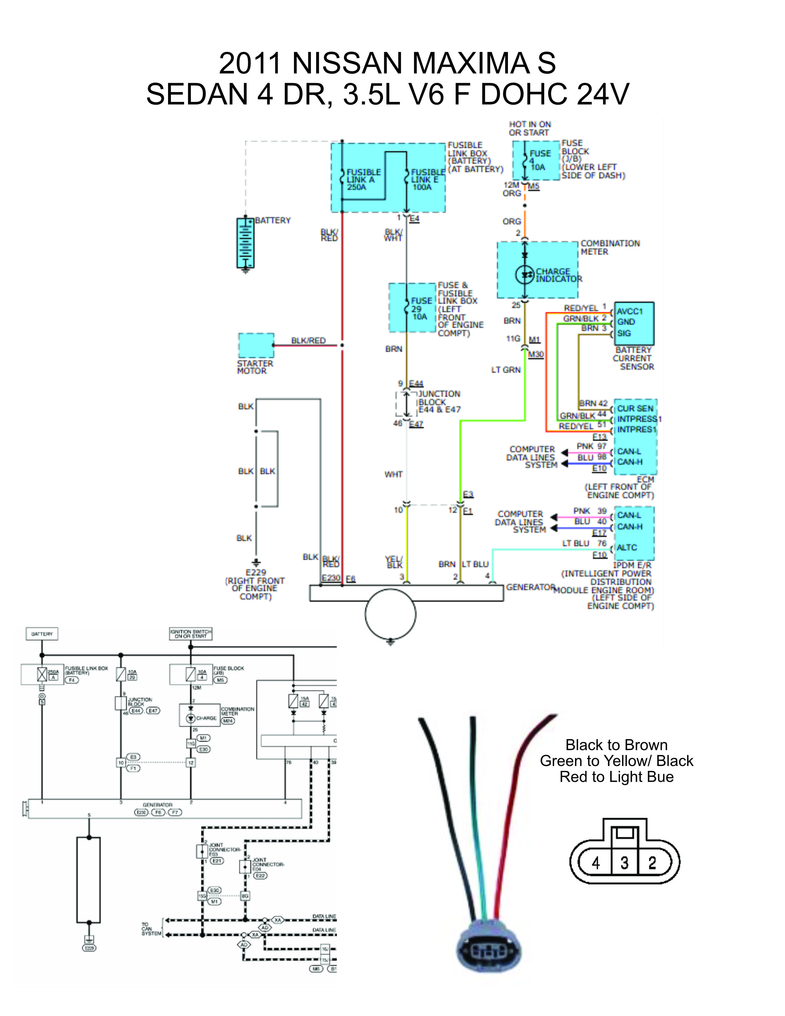
2011 Maxima Charge System Repair

How the 2011 Nissan Maxima charge system operates and the aftermarket repair plug wires into the voltage regulator. 2011 Nissan Maxima Charge System Diagram
Alternator Rebuild Parts List for 2007-2018 Altima 3.5L, 2009-2018 Maxima, 2009-2014 Murano, 2011-2017 Quest (Ref#s A3TJ3691, A3TJ1791) - 11557
Alternator Rebuild Parts List for 2007-2018 Altima 3.5L, 2009-2018 Maxima, 2009-2014 Murano, 2011-2017 Quest (Ref#s A3TJ3691, A3TJ1791) - 11557
Alternator Rebuilt Kit; Voltage Regulator, Brushes, & Bearings for 2007-2018 Altima 3.5L, 2009-2018 Maxima, 2009-2014 Murano, 2011-2017 Quest (Ref#s A3TJ3691, A3TJ1791) - 11557RK
Alternator Rebuilt Kit; Voltage Regulator, Brushes, & Bearings for 2007-2018 Altima 3.5L, 2009-2018 Maxima, 2009-2014 Murano, 2011-2017 Quest (Ref#s A3TJ3691, A3TJ1791) - 11557RK
Alternator Regulator Harness Plug Lead, Repair 'Pigtail', 3 Wires, Regulator Plug Denso, Mitsubishi, Hitachi, Valeo Alternator Applications on Audi, Infiniti, Nissan, Subaru- 9801325
Alternator Regulator Harness Plug Lead, Repair 'Pigtail', 3 Wires, Regulator Plug Denso, Mitsubishi, Hitachi, Valeo Alternator Applications on Audi, Infiniti, Nissan, Subaru- 9801325
Questions? TEXT LINE
469-518-0576
New Updates
Videos and "How To" #DYI Help
Rebuild Your Alternator
Charging Starting System Voltage Drop Testing
Charging Starting System Voltage Drop Testing
Swap F150 4.6L for Later Model Lincoln 4.6L Flex That Can Be Found Much Cheaper
Swap F150 4.6L for Later Model Lincoln 4.6L Flex That Can Be Found Much Cheaper
Electrical Load and Alternator Performance
Electrical Load and Alternator Performance
Voltage Regulator with Brushes Replacing Bosch 0272220807 fits Audi Applications with Bosch - 80201281A
Voltage Regulator with Brushes Replacing Bosch 0272220807 fits Audi Applications with Bosch - 80201281A
$66.99
Alternator Rebuild Kit for 2013-2015 Acura ILX, 2012-2015 Civic, 2016-2018 HR-V ; Regulator Brushes Bearings - 11537RK
Alternator Rebuild Kit for 2013-2015 Acura ILX, 2012-2015 Civic, 2016-2018 HR-V ; Regulator Brushes Bearings - 11537RK
$64.98
Alternator Rebuild Kit for 2012-2016 Kia Sedona, 2013-2018 Santa Fe 3.3L, &more with Denso Alternator #104210-2870, 104210-1800: Regulator Brushes Bearing Kit - 11686RK
Alternator Rebuild Kit for 2012-2016 Kia Sedona, 2013-2018 Santa Fe 3.3L, &more with Denso Alternator #104210-2870, 104210-1800: Regulator Brushes Bearing Kit - 11686RK
$79.98
Alternator Rebuild Kit for 2012-2014 Ford F150 3.5L 3.7L 200 Amp (Denso 104210-6670, 104211-0230, -0231) Regulator Brushes Bearings - 11624RK
Alternator Rebuild Kit for 2012-2014 Ford F150 3.5L 3.7L 200 Amp (Denso 104210-6670, 104211-0230, -0231) Regulator Brushes Bearings - 11624RK
$59.98
Alternator Kit; Regulator Brushes Bearings 2010-2012 BMW 535i, 2012 640i, X3 X5 X6 with 210 Amp Denso 104210-6070, 104210-6072 - 11496RK
Alternator Kit; Regulator Brushes Bearings 2010-2012 BMW 535i, 2012 640i, X3 X5 X6 with 210 Amp Denso 104210-6070, 104210-6072 - 11496RK
$74.98
  • CONTACT
  • Shipping
  • Returns
  • Find Your Kit/Part
  • Privacy
  • My Cart
100% Satisfaction Guaranteed
Copyright © 2007-2024 Maniac Electric Motors All Rights Reserved.